Communication Systems/Phase Modulation
Phase Modulation
Phase modulation is most commonly used to convey digital signals. All high performance modems today use phase modulation.
Similar to FM (frequency modulation), is Phase modulation. (We will show how they are the same in the next chapter.) If we alter the value of the phase according to a particular function, we will get the following generalized PM function:
It is important to note that the fact that for all values of t. If this relationship is not satisfied, then the phase angle is said to be wrapped.
BPSK Modulator
The binary phase shift keyed modulator is the simplest of app PSK modulators since it has only two output phase states. It is generally a multiplier which can either be an IC (integrated circuit) or ring modulator.
The output has two phase states:
In the above illustration, the duration of each of the phase states corresponds to one signaling element or baud. The baud rate is therefor equal to the bit rate.
The spectrum of the BPSK signal will depend upon the data being transmitted, but it is very easy to sketch it for the highest data rate input.
The resultant BPSK spectrum is:
QPSK Modulators (4-PSK)
Quadrature modulation uses two data channels denoted I (in phase) and Q (quadrature phase) displaced by 90o with respect to each other. It may seem somewhat paradoxical, that although these two channels are combined prior to transmission, they do not interfere with each other.
The receiver is quite capable of separating them because of their quadrature or orthogonal nature.
In the most basic configuration, there are 4 possible output phases. This suggests that each output symbol correspond to 2 bits of binary information. Since several bits can be encoded into a baud, the bit rate exceeds the baud rate.
The first thing that happens in this circuit is that the incoming bits are organized into groups of 2 called dibits. They are separated into 2 data streams and kept constant over the dibit period.
Each data stream is fed to a BPSK modulator. However, orthogonal carriers feed the two modulators. The output of the I channel modulator resembles:
The output of the Q channel modulator resembles
Combining the I and Q channels has the effect of rotating the output state by 45o.
Rotating the output reference to 45o for the sake of clarity, the transmitted output for this particular data sequence is therefor:
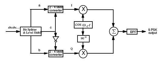
8-PSK
This process of encoding more bits into each output baud or phase state can be continued. Organizing binary bits into 3 bytes corresponds to 8 different conditions.
The output constellation diagram for the 8 different phase states is:
From this diagram it is readily apparent that two different amplitudes are needed on the I and Q channels. If the A bit is used to control the polarity of the I channel and the B bit the polarity of the Q channel, then the C bit can be used to define the two different amplitudes. In order to evenly space the phase states; the amplitudes must be ± 0.38 and ± 0.92. The magnitude of the I and Q channel signals must always be different. An inverter can be used to assure this condition.
The input bit stream is organized into 3 bit bytes. Each bit is sent to a different location to control a certain aspect of the modulator. The inputs to the 2 - 4 level converter are 0’s or 1’s but the output is ± 0.38 or ± 0.92, depending on the C bit.
Wrapped/Unwrapped Phase
The phase angle is a circular quantity, with the restriction . Therefore, if we wrap the phase a complete 360 degrees around, the receiver will not know the difference, and the transmission will fail. When the phase exceeds 360 degrees, the phase value is said to be wrapped. It is highly difficult to construct a communication system that can detect and decode a wrapped phase value.
PM Transmitter
PM signals can be transmitted using a technique very similar to FM transmitters. The only difference is that we need to add a differentiator to it:
Signal ---->|Differentiator|---->|VCO|----> PM Signal
PM Receiver
PM receivers have all the same parts as an FM receiver, except for the 3rd step:
- A limiter, to remove abnormal amplitude values
- bandpass filter, to separate the out-of-band noise.
- A Phase detector, to convert a phase back into a voltage
- A lowpass filter, to remove noise added by the discriminator.
Phase detectors can be created using a Phase-Locked-Loop (again, see why we discussed them first?).













