Electronics Fundamentals/Diode Circuit
<
Electronics Fundamentals
Digital Logic Gate
AND Gate
OR Gate
Diode Bridge or Graetz Bridge
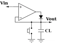
Peak Detector